• AII-1PB 500 機械人單軸式外部軸
  • AII-1PB 500 機械人單軸式外部軸
  • AII-1PB 500 機械人單軸式外部軸
  • AII-1PB 500 機械人單軸式外部軸

AII-1PB 500 機械人單軸式外部軸

  • 速度快,提高生產力
  • 可用於具有較大程度的定位靈活性,可構建不同的夾具系統
  • 通過中心的轉盤,使電纜和軟管的孔將通過輕鬆傳送
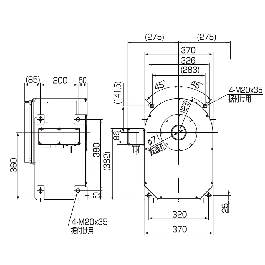
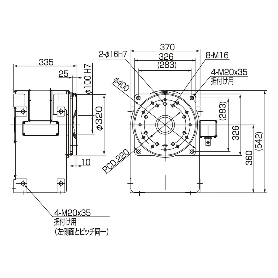
名稱 機 械 人 單 軸 式 外 部 軸
形式 AⅡ-1PB500
A2PB502-J
最大搭載質量 500kg
最大回轉速度 2.1rad/s
最大許容負荷 490N・m
位置返精度 ±0.1mm (R300的位置)
停止位置 任意
質量 170kg