AII-1PB500
| Name | Robot Positioner Headstock |
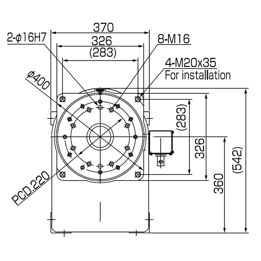
| Model Name | AⅡ-1PB500 |
| A2PB502-J | |
| Max. Payload Capacity | 500kg |
| Rotating Speed | 2.1rad/s |
| Allowable Rotating Torque | 490N・m |
| Position Repeatability | ±0.1mm ( Position at R300mm ) |
| Stop Position | Random |
| Mass (Weight) | 170kg |









