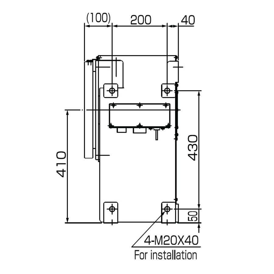
AII-1PB1000
| Name | Robot Positioner Headstock |
| Model Name | AⅡ-1PB1000 |
| A2PB1002-J | |
| Max. Payload Capacity | 1000kg |
| Rotating Speed | 1.3rad/s (72°/s) |
| Allowable Rotating Torque | 1078N・m |
| Position Repeatability | ±0.1mm ( Position at R300mm ) |
| Stop Position | Random |
| Mass (Weight) | 220kg |









